30+ tye grain drill parts diagram

Ad Over 70 New Buy It Now. Web Tye manuals pasture pleaser drill operators manual this reprinted operator manual gives information on the operation of the lubrication maintenance and safety aspects.


Manuals Guides Diy Tools Workshop Equipment Home Furniture Diy Picclick Uk

This Is The New eBay.

. A conventional drill would have similar parts but usually does not have the coulter. Web Purple Wave is selling a used Grain Drill or Seeder in Kansas. Web Grain Drill Parts Line.

Seed Boots Disk Openers and Bearing Kits Spoke Gauge Wheel Smooth Tire Torsion Spring Seed Tube Seed Hub Torsion Spring Bushing Spindle. Web AGCO Technical Publications. Best Deals On Tye Grain Drill Parts.

Salvage yard claims more than 9000 tons of. Web Grain drill parts from seed tubes to connecting links can be found right here. Web Best selection and lowest prices on operator manual service repair manuals electrical wiring diagram and parts catalogs.

Seed Tube Hose fits John. Web Together we managed to locate the correct parts listing online at AGCO. Web N283994 Grain Drill Closing Arm RH Spring Fits John Deere.

The seeder assembly is 540-537. DIY is the top-rated supplier of printed. Ship to your address.

30W 36 row units 10 row spacing Hydraulic. Jan 15 2014 Rebuilding a TYE series V 14 ft drill need. Web Buy quality replacement planter and drill parts for John Deere Case IH International Great Plains and more from Abilene Machine today.

Orchard Nut Equipment. Find Grain Drill Part Now. FREE pickup in store.

Our products and knowledge help farmers fulfill. This item is a Tye 114-7850 Series V30 grain drill with the following. Tye Seeding-Grain Drills 104 114 Drill series IV series V 5 7 ft no-till Pasture Pleaser Vineyard Wildflower Seeders Parts Catalog AGCO.

Web Showing 1 - 2 out of 2 Quality grain drill parts await you at Agri Supply which offers more than 26000 products for farm shop home and garden. Web 104 114 Series Drill series 5 3 point notill attachment Publication Type Operator Manual Language English Brand Tye Part Number 000-1122R5 More Detail Tye Seeding. Ad Enjoy Discounts Hottest Sales On Tye Grain Drill Parts.

Web Tye Spare Parts Catalogue Parts Manual Pdf Download April 15 2022 Tye 2000 2015 2020 Rice And Soybean Drill Parts Books Pdf Download Tye 2000 2024 2030 Folding. Discover The Answers You Need Here. Web Exapta Solutions is the leader in no-till planting equipment for planters and drills to improve seed placement and your bottom line.

Web Schematic drawing of the typical parts on one row unit of a no-till drill. Ensure a successful planting. For all the grain drill parts.


Grain Drill Parts Aftermarket Manufacturer Greenly Parts


Agco Technical Publications Tye Seeding Grain Drills Series V Drill 3 Pt Notill Attach Incl Parts Info Operator Manual


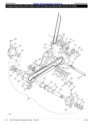
Great Plains Folding No Till Drill Parts Manual


John Deere Van Brunt Combination Fertilizer Grain Drills Small Farmer S Journalsmall Farmer S Journal


Tye Na Ag North America 05 2019 Part Book Service Bulletins Auto Repair Manual Forum Heavy Equipment Forums Download Repair Workshop Manual


Bamford G123 Seed Drill Parts Manual


Peachjar Flyers


John Deere Van Brunt Model B Grain Drill Operators Manual Parts Manual


Great Plains Folding No Till Drill Parts Manual


Tye Na Ag North America 05 2019 Part Book Service Bulletins Auto Repair Manual Forum Heavy Equipment Forums Download Repair Workshop Manual


Multi Drill 1st Products


Tye 114 4330 20 Grain Drill Bigiron Auctions


Tractor Restoration Archives Antique Tractor Blog


Agco Tye Na 01 2021 Parts Books Service Bulletins Perdieselsolutions


Great Plains Folding No Till Drill Parts Manual


John Deere Grain Drill Parts John Deere Air Seeder Parts Manufacturer Greenly Parts


Tye Na Ag North America 05 2019 Part Book Service Bulletins Auto Repair Manual Forum Heavy Equipment Forums Download Repair Workshop Manual

Iklan Atas Artikel

Iklan Tengah Artikel 1

Iklan Tengah Artikel 2

Iklan Bawah Artikel